Network theory miscellaneous
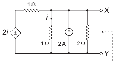
- For the circuit shown in the figure, the Thevenin voltage and resistance looking into X–Y are—
-
View Hint View Answer Discuss in Forum
The given circuit:

Vth Calculation:
From above figure: VA = Vth
KCL at node AVA + VA – 2i + VA = 2 1 1 2
Also,i = VA = VA 1
Now,VA + VA – 2VA + VA = 2 1 2
or
VA = Vth = 4V
ISC Calculation:
From above figure,
ISC = 2A
Now,Rth = Vth = VOC = 4V = 2Ω ISC ISC 2A
Hence alternative (D) is the correct choice.Correct Option: D
The given circuit:

Vth Calculation:
From above figure: VA = Vth
KCL at node AVA + VA – 2i + VA = 2 1 1 2
Also,i = VA = VA 1
Now,VA + VA – 2VA + VA = 2 1 2
or
VA = Vth = 4V
ISC Calculation:
From above figure,
ISC = 2A
Now,Rth = Vth = VOC = 4V = 2Ω ISC ISC 2A
Hence alternative (D) is the correct choice.
- In a two element series network, the voltage and current respectively given as,
v (t) = 50 sin (314t) + 50 sin (942t) V
i(t) = 10 sin (314t + 60°) + 8 sin (942t + 45°)
A, then the power factor of the network is approximately—
-
View Hint View Answer Discuss in Forum
Given,
V(t) = 50 sin (314t) + 50 sin (942t)V
i(t) = 10 sin (314t + 60°) + 8 sin (942t + 45°)A
Average or Real power or True power = Power of fundamental + Power of harmonics
orPav = 50 × 10 cos 60° + 50 × 8 cos 45° 2 2
= 125 + 100 2Reactive Power = 50 × 10 cos 60° + 50 × 8 cos 45° 2 2
= 125 3 + 100 2Now, Power factor = Average Power Apparent Power
orPower factor = 125 + 100 2 (125 + 100 2)2 + (125 3 + 100 2)2
or
Power factor ≈ 0·6.Correct Option: B
Given,
V(t) = 50 sin (314t) + 50 sin (942t)V
i(t) = 10 sin (314t + 60°) + 8 sin (942t + 45°)A
Average or Real power or True power = Power of fundamental + Power of harmonics
orPav = 50 × 10 cos 60° + 50 × 8 cos 45° 2 2
= 125 + 100 2Reactive Power = 50 × 10 cos 60° + 50 × 8 cos 45° 2 2
= 125 3 + 100 2Now, Power factor = Average Power Apparent Power
orPower factor = 125 + 100 2 (125 + 100 2)2 + (125 3 + 100 2)2
or
Power factor ≈ 0·6.
- For a parallel RLC resonant circuit, the damped frequency is √8 r/s and bandwidth is 2 r/s. What is its resonant frequency?
-
View Hint View Answer Discuss in Forum
Given,
d = 8 r/s and B.W. = 2 r/s
From relation
d = 02 – α2where α = B.W. 2
or
d2 = 02 – α2
or
02 = d2 + α2
or
02 = (8)2 + 2/2 2
or
02 = 8 + 1 = 9
or
0 = 3 r/sCorrect Option: D
Given,
d = 8 r/s and B.W. = 2 r/s
From relation
d = 02 – α2where α = B.W. 2
or
d2 = 02 – α2
or
02 = d2 + α2
or
02 = (8)2 + 2/2 2
or
02 = 8 + 1 = 9
or
0 = 3 r/s
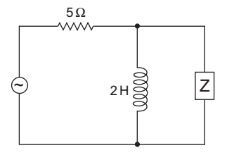
- The value of Z in figure which is most appropriate to cause parallel resonance at 500 Hz is—
-
View Hint View Answer Discuss in Forum
The given circuit:

fr = 1 = 1 = 500 2π LC 2π 2 × C
oror 1 = 25 × 104 4π2 2C
orC = 1 = 100 × 10–6 8π2 × 25 × 104 1971·92
or
C = 0·0507 µF
or
C ≈ 0·05 µF
Hence alternative (D) is the correct choice.Correct Option: D
The given circuit:

fr = 1 = 1 = 500 2π LC 2π 2 × C
oror 1 = 25 × 104 4π2 2C
orC = 1 = 100 × 10–6 8π2 × 25 × 104 1971·92
or
C = 0·0507 µF
or
C ≈ 0·05 µF
Hence alternative (D) is the correct choice.
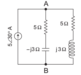
- In the AC network shown in the figure, the phasor voltage VAB (in Volts) is—
-
View Hint View Answer Discuss in Forum
The given network:
img src="http://images.interviewmania.com/wp-content/uploads/2019/05/Ans120.png">
Applying KCL at node A:VA + VA = 5 30° 5 – j3 5 + j3
or5 + j3 + 5 – j3 = 5 30° (5 + j3) (5 – j3)
orVA 10 = 5 30° 25 + 9
or
VA = 17 30°
Hence alternative (D) is the correct choice.Correct Option: D
The given network:
img src="http://images.interviewmania.com/wp-content/uploads/2019/05/Ans120.png">
Applying KCL at node A:VA + VA = 5 30° 5 – j3 5 + j3
or5 + j3 + 5 – j3 = 5 30° (5 + j3) (5 – j3)
orVA 10 = 5 30° 25 + 9
or
VA = 17 30°
Hence alternative (D) is the correct choice.