Network theory miscellaneous
- For the circuit shown below, the V1 = ?
-
View Hint View Answer Discuss in Forum
The given circuit

Applying KCL at node AV1 - 20 + V1 - 0.5V1 - V2 = 2 20 5
orV1 
1 + 1
- V2 = 3 20 10 5
or3V1 - V2 = 3 20 5
or
3V1 – 4V2 = 60 . . . . . . …(i)
KCL at node BV2 - V1 + 0.5V1 + V2 + V2 - 40 = 4 5 2 10 V2 
1 + 1 + 1
- V1 = 8 5 2 10 10
orV2 
2 + 5 + 1
- V1 = 8 10 8
or
8V1 – V1 = 80 …. . . (ii)
From equation (i) and (ii)
V1 = 40V and V2 = 15V
Hence alternative (A) is the correct choice.Correct Option: A
The given circuit

Applying KCL at node AV1 - 20 + V1 - 0.5V1 - V2 = 2 20 5
orV1 
1 + 1
- V2 = 3 20 10 5
or3V1 - V2 = 3 20 5
or
3V1 – 4V2 = 60 . . . . . . …(i)
KCL at node BV2 - V1 + 0.5V1 + V2 + V2 - 40 = 4 5 2 10 V2 
1 + 1 + 1
- V1 = 8 5 2 10 10
orV2 
2 + 5 + 1
- V1 = 8 10 8
or
8V1 – V1 = 80 …. . . (ii)
From equation (i) and (ii)
V1 = 40V and V2 = 15V
Hence alternative (A) is the correct choice.
- The total power consumed in the circuit shown in the figure is—
-
View Hint View Answer Discuss in Forum
The given circuit:

Case 1: When current source is taken:
The net current in branch AB is 2A
Case 2: When voltage source is taken:
The net current in branch BC is 2/2 = 1A
Now, the total power consumed in the circuit:
= I2ABRAB + I2BC × RBC
= 22 × 2 + 12 × 2
= 10W.Correct Option: A
The given circuit:

Case 1: When current source is taken:
The net current in branch AB is 2A
Case 2: When voltage source is taken:
The net current in branch BC is 2/2 = 1A
Now, the total power consumed in the circuit:
= I2ABRAB + I2BC × RBC
= 22 × 2 + 12 × 2
= 10W.
- The effective resistance between terminals A and B in the circuit shown below is—
-
View Hint View Answer Discuss in Forum
The given circuit:

By converting star network into delta network
Req. (AB) = RAB || (RAC + RBC)
Where,
RAB = R || 3R = 3/4 R
RAC = R || 3R = 3/4 R
RBC = R || 3R = 3/4 R
Now,Req. (AB) = 3R 
3R + 3 R 
4 4 4
= 3R 6 R = 3R/4 × 6R/4 4 4 3R/4 + 6R/4 = 18R2 = R 16 × (9R/4) 2
Hence alternative (C) is the correct choice.Correct Option: C
The given circuit:

By converting star network into delta network
Req. (AB) = RAB || (RAC + RBC)
Where,
RAB = R || 3R = 3/4 R
RAC = R || 3R = 3/4 R
RBC = R || 3R = 3/4 R
Now,Req. (AB) = 3R 
3R + 3 R 
4 4 4
= 3R 6 R = 3R/4 × 6R/4 4 4 3R/4 + 6R/4 = 18R2 = R 16 × (9R/4) 2
Hence alternative (C) is the correct choice.
- The circuit shown in figure 1 is replaced by that in figure 2. If current ‘I’ remains the same, then R0 will be—
-
View Hint View Answer Discuss in Forum
The given circuit:

In order to make current-I same in both figures:1 = 1 + R0 1/32R + 1/16R + 1/8R 1/4R + 1/2R + 1/R
or32R = 4R + R0 7 7
orR0 = 32R - 4R = 28R 7 7 7
or
R0 = 4RCorrect Option: D
The given circuit:

In order to make current-I same in both figures:1 = 1 + R0 1/32R + 1/16R + 1/8R 1/4R + 1/2R + 1/R
or32R = 4R + R0 7 7
orR0 = 32R - 4R = 28R 7 7 7
or
R0 = 4R
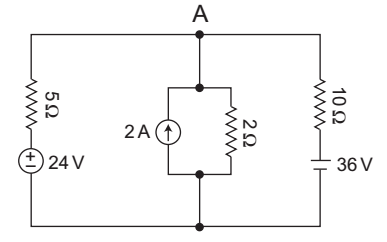
- For the circuit shown below, the current delivered by 24V source—
-
View Hint View Answer Discuss in Forum
The given circuit:

Applying KCL at node A, we get:VA - 24 + VA - 0 + VA - 36 = 2 5 2 10
orVA 
1 + 1 + 1 
= 2 + 24 + 36 5 2 10 5 10
orVA 
2 + 5 + 1 
= 
20 + 24 × 2 + 36 
10 10
orVA = 104 = 13 8
The current delivered by 24V source,I = 24 + 13 = 2.2A 5
Hence alternative (C) is the correct choice.Correct Option: C
The given circuit:

Applying KCL at node A, we get:VA - 24 + VA - 0 + VA - 36 = 2 5 2 10
orVA 
1 + 1 + 1 
= 2 + 24 + 36 5 2 10 5 10
orVA 
2 + 5 + 1 
= 
20 + 24 × 2 + 36 
10 10
orVA = 104 = 13 8
The current delivered by 24V source,I = 24 + 13 = 2.2A 5
Hence alternative (C) is the correct choice.