Network theory miscellaneous
- The effective resistance between terminals A and B in the circuit shown below is—
-
View Hint View Answer Discuss in Forum
The given circuit:

By converting star network into delta network
Req. (AB) = RAB || (RAC + RBC)
Where,
RAB = R || 3R = 3/4 R
RAC = R || 3R = 3/4 R
RBC = R || 3R = 3/4 R
Now,Req. (AB) = 3R 
3R + 3 R 
4 4 4
= 3R 6 R = 3R/4 × 6R/4 4 4 3R/4 + 6R/4 = 18R2 = R 16 × (9R/4) 2
Hence alternative (C) is the correct choice.Correct Option: C
The given circuit:

By converting star network into delta network
Req. (AB) = RAB || (RAC + RBC)
Where,
RAB = R || 3R = 3/4 R
RAC = R || 3R = 3/4 R
RBC = R || 3R = 3/4 R
Now,Req. (AB) = 3R 
3R + 3 R 
4 4 4
= 3R 6 R = 3R/4 × 6R/4 4 4 3R/4 + 6R/4 = 18R2 = R 16 × (9R/4) 2
Hence alternative (C) is the correct choice.
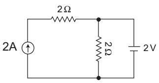
- The total power consumed in the circuit shown in the figure is—
-
View Hint View Answer Discuss in Forum
The given circuit:

Case 1: When current source is taken:
The net current in branch AB is 2A
Case 2: When voltage source is taken:
The net current in branch BC is 2/2 = 1A
Now, the total power consumed in the circuit:
= I2ABRAB + I2BC × RBC
= 22 × 2 + 12 × 2
= 10W.Correct Option: A
The given circuit:

Case 1: When current source is taken:
The net current in branch AB is 2A
Case 2: When voltage source is taken:
The net current in branch BC is 2/2 = 1A
Now, the total power consumed in the circuit:
= I2ABRAB + I2BC × RBC
= 22 × 2 + 12 × 2
= 10W.
- The time constant of the network shown in figure is—
-
View Hint View Answer Discuss in Forum
The given network:
The equivalent circuit for calculating time constant is shown below
Req = R || 2R = 2R 3
Time constant,τ = Req C = 2R . C = 2 RC 3 3 Correct Option: D
The given network:
The equivalent circuit for calculating time constant is shown below
Req = R || 2R = 2R 3
Time constant,τ = Req C = 2R . C = 2 RC 3 3
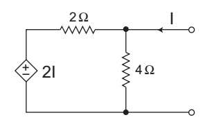
- For the circuit shown below, the current Ix and power delivered by the independent source is—
-
View Hint View Answer Discuss in Forum
The given circuit

Apply KCL at node A2Ix + VA –0 = Ix (400 + 200)Ω
or
…(i)Ix = - VA 600
From figure
…(ii)Ix = 40 - VA 500
From equation (i) and (ii)– VA = 40 – VA 600 500
or
– 5VA = 240 – 6VA
or
VA = 240V
andIx = – VA = – 240 = – 0·4A 600 600
Power delivered by the independent source is
= 40 × Ix = 40 × (– 0·4) = – 16 W.Correct Option: B
The given circuit

Apply KCL at node A2Ix + VA –0 = Ix (400 + 200)Ω
or
…(i)Ix = - VA 600
From figure
…(ii)Ix = 40 - VA 500
From equation (i) and (ii)– VA = 40 – VA 600 500
or
– 5VA = 240 – 6VA
or
VA = 240V
andIx = – VA = – 240 = – 0·4A 600 600
Power delivered by the independent source is
= 40 × Ix = 40 × (– 0·4) = – 16 W.
- The circuit shown in figure below is equivalent to a load of—
-
View Hint View Answer Discuss in Forum
The given circuit

The load is given by ratio of voltage, V to the current, I
V = 4 (I – I1) …(i)
and
V = 2I1 + 2I …(ii)
From equation (i) and (ii):
4I – 4I1 = 2I1 + 2I
or
2I = 6I1
or
I = 3I1
or
I1 = I/3
Now,V = 4 
I - I 
= 8I 3 3
orV = 8 Ω I 3
Hence alternative (B) is the correct choice.Correct Option: B
The given circuit

The load is given by ratio of voltage, V to the current, I
V = 4 (I – I1) …(i)
and
V = 2I1 + 2I …(ii)
From equation (i) and (ii):
4I – 4I1 = 2I1 + 2I
or
2I = 6I1
or
I = 3I1
or
I1 = I/3
Now,V = 4 
I - I 
= 8I 3 3
orV = 8 Ω I 3
Hence alternative (B) is the correct choice.