Home » Network Theory » Network Elements and the Concept of Circuit » Question

Network Elements and the Concept of Circuit

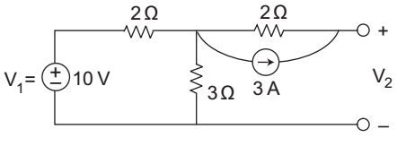
  1. The voltage transfer ratio V2 / V1 in the two port network shown in the figure is—


    1. 10/12
    2. 12/10
    3. 1/2
    4. 2/3
Correct Option: B

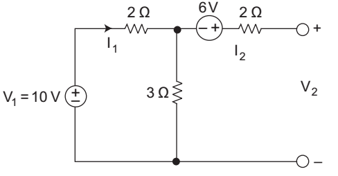
The given network can be redrawn as by applying source transformation technique.

Il =
10
= 2 amp.
5

V2 = 6 + 3I1
or
V2 = 6 + 3 × 2 = 12 V
V1 = 10 V (given)
so,
V2
=
12
I210



Your comments will be displayed only after manual approval.