-
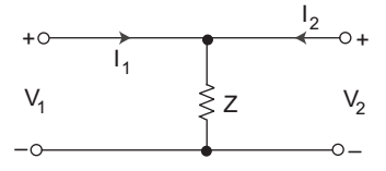
The ABCD parameters of the 2-port network, shown in the figure are—
Correct Option: A
The standard equation for ABCD parameters are
V1 = AV2 – BI2 (i)
I1 = CV2 – DI2 (ii)
From given figure
V1 = Z (I1 + I2) (iii)
and
V1 = V2 (iv)
Equation (iii) may be arranged as
| I1 = | – I2 = | – I2 (V1 = V2) | ||
| Z | Z |
on comparing equation (iv) and (v) with eq. (i) and (ii) we get
A = 1
B = 0
C = 1/2
D = 1



