Power electronics miscellaneous


Power electronics miscellaneous

  1. For a sinusoidal input voltage
    Vs = Vm sin ωt = √2 Vs sin ωt
    If the input voltage is connected to load for n cycles and is disconnected for m cycles, the rms output voltage is given by
    V0 = VsK
    Where k is duty cycle which is given by:









  1. View Hint View Answer Discuss in Forum

    NA

    Correct Option: D

    NA


  1. MOS controlled thyristors have:
    1. Low forward voltage drop during conduction
    2. Fast turn-on and turn-off time
    3. Low switching losses
    4. High reverse voltage blocking capability
    5. Low gate input impedance
    Which are correct?









  1. View Hint View Answer Discuss in Forum

    NA

    Correct Option: A

    NA



  1. Static induction thyristors have:









  1. View Hint View Answer Discuss in Forum

    NA

    Correct Option: D

    NA


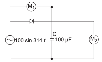
  1. In given fig., zero centre and ideal PMMC voltmeters M1 and M2 will read:











  1. View Hint View Answer Discuss in Forum

    NA

    Correct Option: A

    NA



  1. In given fig., capacitor C is initially charged with voltage V0. Switch S is closed at t = 0. In steady state, VC and VD are respectively given by:











  1. View Hint View Answer Discuss in Forum

    NA

    Correct Option: A

    NA