-
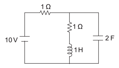
The total power dissipated, the energy stored in the inductor and the energy stored in the capacitor in the circuit shown in figure under steady state condition is—
-
- 50 W, 25 J, 50 J
- 50 W, 0, 0
- 50 W, 12.5 J, 0
- 50 W, 12.5 J, 25 J
Correct Option: D
The given circuit under the steady state looks like
| i = | = 5A | |
| 2 |
iL (∞) = 2A

Vi (∞) = iL (∞). 1 = 5 V
so, the power dissipated across the resistor
= i2 (1 + 1) = 52 × 2 = 50 watt.
Energy stored in the inductor
| = | Li2L(∞) = | × 1.(5)2 = 12.5 J | ||
| 2 | 2 |
Energy stored in the capacitor
| = | C(Vx)2 = | × 2 × 52 = 25 J | ||
| 2 | 2 |