Digital electronics miscellaneous


Digital electronics miscellaneous

Digital Electronics

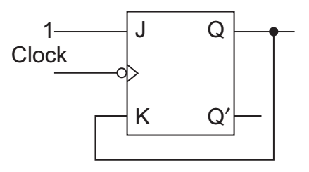
  1. For one of the following conditions, clocked J-K flip-flop can be used as a divide-by-2 circuit when the input signal is applied at clock-input—









  1. View Hint View Answer Discuss in Forum

    The clocked J-K flip-flop can be used as a divide-by- 2 circuit when input J = K = 1 is applied at clock input and flip-flop has active HIGH inputs.

    Correct Option: A

    The clocked J-K flip-flop can be used as a divide-by- 2 circuit when input J = K = 1 is applied at clock input and flip-flop has active HIGH inputs.


  1. For the circuit shown below, D has a transition from 0 to 1 after CLK changes from 1 to 0. Assume gate delays to be negligible Which of the following statements in true?











  1. View Hint View Answer Discuss in Forum

    The given circuit
    From the given circuit we conclude that Q goes to 1 at the CLK transition and goes to 0 when D goes to 1.


    Correct Option: C

    The given circuit
    From the given circuit we conclude that Q goes to 1 at the CLK transition and goes to 0 when D goes to 1.




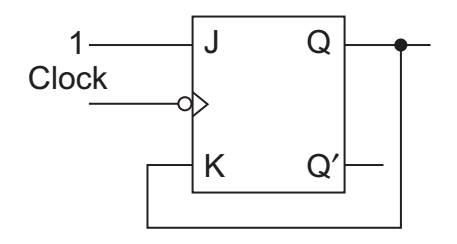
  1. For the circuit shown below what is the frequency of the output Q?











  1. View Hint View Answer Discuss in Forum

    The given circuit
    The frequency of the output is half the input clock frequency.


    Correct Option: B

    The given circuit
    The frequency of the output is half the input clock frequency.



  1. The frequency of the clock signal applied to the rising edge triggered D flip-flop shown below is 10 kHz. What is the frequency of the signal available at Q?











  1. View Hint View Answer Discuss in Forum

    Output frequency = Fs 2 = 10 kHz 2 = 5 kHz

    Output frequency = Fs=10 kHz=5 kHz
    22

    Correct Option: B

    Output frequency = Fs 2 = 10 kHz 2 = 5 kHz

    Output frequency = Fs=10 kHz=5 kHz
    22



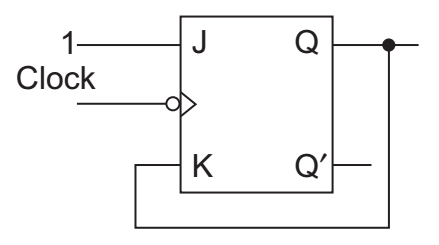
  1. For the circuit shown below, Q = 0 initially. What shall be the subsequent states of Q when clock pulses are given?











  1. View Hint View Answer Discuss in Forum

    The given circuit
    Given that initially flip-flop is cleared i.e., Q = 0. After applying the CLK pulses, we get 1, 0, 1, 0......


    Correct Option: A

    The given circuit
    Given that initially flip-flop is cleared i.e., Q = 0. After applying the CLK pulses, we get 1, 0, 1, 0......