-
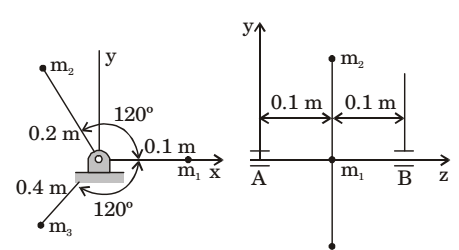
Three masses are connected to a rotating shaft supported on bearing A and B as shown in the figure. The system is in a space where the gravitational effect is absent. Neglect the mass of shaft and rods connecting the masses. For m1 = 10 kg, m2 = 5 kg and m3 = 2.5 kg and for a shaft angular speed of 1000 radian/s, the magnitude of the bearing reaction (in N) at location be is _________.

-
- Reaction at B is zero
- Reaction at A is zero
- Both A and B
- None of the above
Correct Option: A
Reaction at B is zero.