-
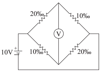
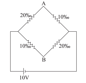
In the bridge given in the figure, the reading of the high impedance voltmeter is:
-
- zero
- 6·66 V
- 4·20 V
- 3·33 V
- zero
Correct Option: D
From given figure
Using voltage divider method. Voltage at point A. i.e.
VA = 10 × | = | V | ||
20 + 10 | 3 |
and voltage at point B. i.e.
VB = 10 × | = | ||
10 + 20 | 3 |
The reading of the voltmeters will be the voltage difference between these point. i.e.
VAB = VB – VA = | - | = | = 3.33V | |||
3 | 3 | 3 |
