Academic Resource
Aptitude
Data Interpretation
Verbal Reasoning
Non Verbal Reasoning
Verbal Ability
Programming
General Knowledge
Puzzle
Engineering
Computer Engineering
Electronics and Communication
Electrical Engineering
Mechanical Engineering
Civil Engineering
Biotechnology
Architecture & Planning
Online Test
Aptitude Test
Data Interpretation Test
Verbal Reasoning Test
Non Verbal Reasoning Test
Verbal Ability Test
Exams
More
Full Forms
Home
»
Electronic Measurements And Instrumentation
»
Electronic measurements and instrumentation miscellaneous
» Question
Electronic measurements and instrumentation miscellaneous
Easy Questions
Moderate Questions
Difficult Questions
Electronic Measurements And Instrumentation
Electronic measurements and instrumentation miscellaneous
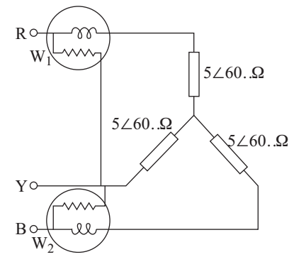
The line-to-line input voltage to the 3-phase, 50 Hz, ac circuit shown in Figure is 10Vrms. Assuming that the phass sequence is RYB, the wattmeers would read:
W
1
= 886 W and W
2
= 886 W
W
1
= 500 W and W
2
= 500 W
W
1
= 0 W and W
2
= 1000 W
W
1
= 250 W and W
2
= 750 W
Correct Option:
C
NA
Previous Question
Next Question
Your comments will be displayed only after manual approval.
Post your Comment